Do you have any questions?

Oxipress

Manufacturer: WATEX
Product code: OXI1
Combination does not exist
Do you have any questions?
Manufacturer: WATEX
Product code: OXI1
Combination does not exist

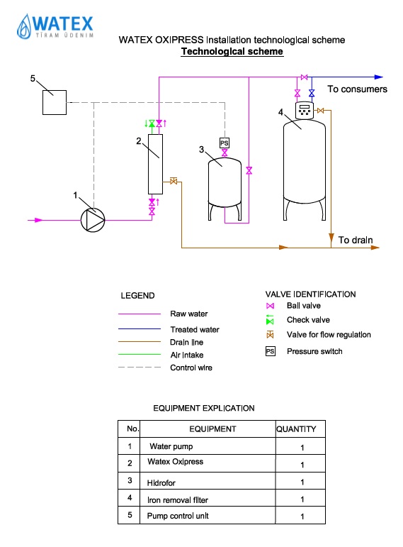
Oxipress is a device that enriches water with air. In the process, harmful impurities are oxidased. Iron and manganese form oxides that can be easily removed from water by mechanical filters. Equipment can be used for removal of odors that occur in case of impurities that contain Sulphur.

Show full description

Technical parameter

Units

Model

OXIPRESS

Water - drain connection

inches

¾

Length

mm

780

Diameter

mm

105

Maximum pressure

bar

6

Volume

l

9

Material

 

AISI304

Width cm

Height cm

Length cm

Weight kg

12.00

12.00

78.00

6.40

Show full description
Show full description